Тема 1. Інженерна графіка (ІГ). ГОСТ, ДСТУ, ISO
| Сайт: | Навчально-інформаційний портал НУБіП України |
| Курс: | Математичне моделювання та комп'ютерні технології (БЦІ). Ч2 ☑️ |
| Книга: | Тема 1. Інженерна графіка (ІГ). ГОСТ, ДСТУ, ISO |
| Надруковано: | Гість-користувач |
| Дата: | понеділок, 16 березня 2026, 14:08 |
1. Деталі. Конструктивні елементи
Предмет або набір предметів, які виготовляються на виробництві, називають виробами.
Згідно ДСТУ 3321:2003 (ГОСТ 2.101-68) розрізняють наступні вироби: деталь (див. рис.); складена одиниця; комплекс; комплект.
Деталь – виріб виготовлений з однорідного матеріалу без застосування складальних операцій.
В залежності від функціювання та застосування деталі діляться на:
- типові – використовуються для найрізноманітнішого призначення (болти, гвинти, шпильки, гайки, шайби, шпонки, пружини, зубчасті колеса, вали і т.п.);
- оригінальні – створюються тільки для певного виробу (різноманітні корпуси, кришки, важелі, вали, маховики, втулки, фланці і т.п.).
За формою будь-яка деталь є поєднанням базових геометричних тіл – циліндрів, конусів, сфер, призм, пірамід та інших.
Конструктивні елементи деталі
Частина деталі, яке має визначене технологічне призначення, називається її конструктивним елементом. До найбільш поширених належать:
- бобишка – низький виступ для опори головки болта;
- буртик – суцільне кільцеве потовщення на валу;
- галтель – плавний перехід від меншого перерізу вала до більшого;
- лиска – плоский зріз на круглій поверхні деталі;
- проточка – кільцевий жолобок на валу в отворі:
- ребро жорсткості – стінка для підсилення жорсткості конструкції;
- фаски – конічний або плоский вузький зріз гострих кромок деталей;
- шліц – паз у вигляді проразу або канавки на валу або в отворі;
- шпонкова канавка – заглиблення на валу або проріз в отворі під шпонку.


2. Конструкторські документи
Створення виробів починається з розробки конструкторської документації відповідно до вимог чинних стандартів, що забезпечує єдину технічну мову і термінологію, взаємообмін, використання в автоматизованому проектуванні.
У березні 1992 р. прийнято міждержавну угоду згідно стандартів колишнього СРСР, у тому числі стандартів Єдиної системи конструкторської документації (ЄСКД), які регламентують основні правила виконання і оформлення креслеників та іншої технічної документації. З 2003 року на території України діє ДСТУ 3321:2003 «Система конструкторської документації (Терміни та визначення основних понять)».
Нормативні документи позначають індексами:
- ДСТУ - державні стандарти, які затверджені Держстандартом України;
- ДСТУ ISO - державні стандарти, через які запроваджено стандарти Міжнародної організації стандартизації (ISO). Номер стандарту відповідає номеру міжнародного стандарту.
- ГОСТ – государственные стандарты.
Згідно ДСТУ 3321:2003 до конструкторських документів належать графічні та текстові документи, які визначають склад та будову виробу і мають необхідні відомості для його розробки або виготовлення, контролю, експлуатації та ремонту.
Види конструкторських документів:
- креслення (кресленик) - графічний конструкторський документ, що містить зображення виробу, визначає його конструкцію та містить дані, згідно з якими розробляють, виготовляють, контролюють, монтують, експлуатують та ремонтують виріб;
- кресленик деталі містить зображення деталі та інші дані, згідно з якими її виготовляють і контролюють;
- складальне креслення (кресленик складальної одиниці) містить зображення виробу та інші дані, необхідні для його складання і контролю;
- креслення (кресленик) загального вигляду визначає конструкцію виробу, взаємодію його основних складових частин і принцип роботи виробу;
- специфікація визначає склад складальної одиниці, комплексу, комплекту;
- схема розкриває у вигляді умовних позначень складові частини виробу і зв’язки між ними;
- пояснювальна записка описує пристрій і принцип дії виробу і надає обґрунтування прийнятого технічного та техніко-економічного рішення;
- технічні умови розкривають експлуатаційні показники виробів і методи контролю його якості та інші.
Робоче креслення (робочий кресленик) деталі
Робоче креслення (кресленик деталі) – основний технічний документ, за яким на виробництві виготовляється деталь.
Кресленик деталі з’ясовує її форму, розміри, точність обробки (шорсткість), матеріал, якість поверхонь.
Кресленик деталі включає графічну (зображення, розміри, умовні знаки) і текстову (написи, таблиці) частини. Правила виконання зображень регламентовано діючими стандартами. Зокрема, зображення деталі на кресленику виконують за правилами прямокутного проектування. Кількість зображень (проекцій) деталі залежить від її форми. Так форма деталі на рис.а може бути повністю виявлена одним видом, на рис.б - необхідно два зображення головне (доцільно зробити поєднання половини виду з половиною розрізу) і вид зліва, а для деталі на рис.в повинно мати три зображення.

Ескіз деталі
Ескіз - документ для разового використання у виробництві, який містить зображення виробу та інші дані для його виготовлення.
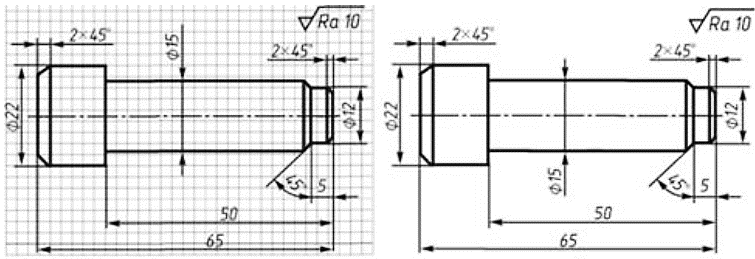
До ескізу пред’являються ті ж вимоги, що і до робочого кресленика. Різниця тільки в тому, що ескіз виконують без застосування креслярських інструментів (від руки) і без точного дотримання масштабу, але з дотриманням пропорцій між частинами. Часто по ескізу виконують кресленик. Ескізи зручно виконувати на папері в клітку м’яким олівцем. На рис. наведено для порівняння ескіз і кресленик однієї і тієї ж деталі.

3. Формати, масштаби, лінії, шрифти – ГОСТ 2.301..304.68
Основні правила виконання креслень визначають ДСТУ 3321:2003, куди входять формати, масштаби, лінії, шрифти, зображення та нанесення розмірів.
Формат - розмір зовнішньої рамки аркуша конструкторського документа, виконаної суцільною тонкою лінією. По цим лініям обрізають аркуш паперу.
Формати поділяють на основні (табл.) та додаткові.
|
Позначення формату |
А0 |
А1 |
А2 |
А3 |
А4 |
|
Розміри сторін, мм |
1189×841 |
594×841 |
594×420 |
297×420 |
297×210 |
На форматі проводять лінії внутрішньої рамки суцільною основною лінією на відстані 5 мм від верхньої, правої та нижньої меж формату. Між лівою межею та лінією рамки відстань становить 20 мм (для підшивання креслень).
|
Формати |
Розмітка формату |
В правому нижньому кутку формату виконують основний напис.
У графі (1) основного написупишуть назву креслення у називному відмінку без використання переносів. При написанні використовують шрифт №5 з нахилом прописними літерами. Порядок слів прямий, наприклад, КРЕСЛЕННЯ ГЕОМЕТРИЧНЕ.
У графі (2) проставляють шифр, який складається із скороченої назви кафедри, далі, через крапку, – номер завдання, номер варіанту и номер аркушу у завданні; наприклад, НГКГД.001001.001.
У графі (3) – масштаб, у графі (4) – скорочену назву групи.
Прізвище студента та викладача вказуються у графах (5) та (6) відповідно.
Масштаби - ГОСТ 2.302-68
Масштаб - відношення лінійних розмірів зображення предмету на кресленні до його дійсних розмірів (ДСТУ 3321:2003).
Масштаби зображень на кресленику вибираються із рядів:
- натуральна величина – 1:1;
- масштаби зменшення – 1:2; 1:2,5; 1:4; 1:5; 1:10; 1:15; 1:20; 1:25 та ін;
- масштаби збільшення – 2:1; 2,5:1; 4:1; 5:1; 10:1; 15:1; 20:1; 25:1 та ін.
При позначенні масштабу в графі (3) основного напису вказують відповідне відношення, наприклад 1:1. На ескізах масштаби не проставляють.
Лінії – ГОСТ 2.303-68
Ескізи та кресленики виконуються лініями різного типу, які мають своє найменування, зображення та призначення.
В табл. наведено рекомендовану товщину ліній для креслеників форматів А4 або А3.

Товщина ліній, довжина штрихів штрихових та штрих-пунктирних ліній повинні бути однаковими для всіх зображень на кресленні.
Креслярський шрифт - – ГОСТ 2.304-68
Всі написи на креслениках виконуються стандартним шрифтом відповідно до ДСТУ 2.304-81, які встановлює шрифти наступних 4-х типів:
- тип А без нахилу;
- тип A з нахилом;
- тип Б з нахилом;
- тип Б без нахилу.
Різниця між типами шрифтів в товщині ліній літер: тип А – 1/14h, а тип Б – 1/10h.
Шрифт з нахилом виконується нахиленими літерами до основи рядка вправо під кутом 75° (див. приклад шрифта типу Б із нахилом).
Розмір шрифтів визначається висотою h великих літер.
Встановлено такі розміри шрифтів: 2.5; 3.5; 5; 7; 10; 14; 20; 28; 40.
Усі інші розміри шрифту залежать від висоти прописних літер.

4. Види, розрізи та перерізи - ГОСТ 2.305-68
Видом називають зображення повернутої до спостерігача видимої частини поверхні предмета. Поверхні, невидимі спостерігачу, показують на виді штриховими лініями. Проекцію предмета на фронтальну площину проекцій називають видом спереду, на горизонтальну площину проекцій – видом зверху, на профільну площину проекцій – видом зліва.
Вид спереду є головним зображенням предмета. Вид спереду вибирається таким чином, щоб дати найбільш повне уявлення про форму та розміри предмета, необхідні для його виготовлення й контролю.
Розрізом називають зображення предмета, який умовно перетинається однією площиною або кількома площинами. У розрізі зображують те, що розміщено в січній площині, а також те, що розташовується за січною площиною.
Розрізи дають змогу виявити внутрішню форму предмета, якщо лінії невидимого контуру не дають однозначної картини або їх читання на зображенні ускладнено.
Якщо січна площина розташовується паралельно горизонтальній площині проекцій, то розріз називають горизонтальним, паралельно фронтальній площині - розріз називають фронтальним, паралельно профільній площині проекцій - розріз називають профільним. Якщо січна площина є не паралельною жодній основній площині проекцій, то розріз називають похилим. Похилий розріз одержують проекціюванням перерізу на додаткову площину, паралельну січній площині й суміщену потім з площиною рисунка.
Залежно від кількості січних площин розрізи бувають простими (одна січна площина) й складними (дві і більше січних площин). Якщо усі січні площини розташовуються паралельно однієї основній площині проекцій, то розріз називають ступінчастим. Якщо січні площини перетинаються одне з одним, то розріз називають ламаним. При виконанні ламаних розрізів січні площини повертають до суміщення з однією площиною, при цьому напрям повороту може не збігатися с напрямом погляду. Крім того, при повороті січної площини елементи предмета, що розміщуються за нею, зображуються так, як вони проекціюються на відповідну площину, з якою виконується суміщення.
Розріз можна розміщувати на місці однойменного виду. Якщо вид й однойменний розріз є симетричними фігурами, то можна сполучати половину виду з половиною розрізу, при чому половина виду сполучається з половиною розрізу по осі симетрії. Якщо вісь симетрії збігається з лінією видимого контуру, то половина виду сполучається з половиною розрізу по суцільній хвилястій лінії.
|
|
|
Місцевий розріз дає змогу виявити форму предмета в окремому обмеженому місці. Місцевий розріз виділяють суцільною хвилястою лінією, яка не має збігатися з лініями контуру зображення.
Положення січної площини позначають розімкненою лінією, початковий і кінцевий штрихи якої не мають перетинати контур відповідного зображення. При виконанні складних розрізів штрихи проводять також у місцях перетину січних площин. Товщина штрихів має бути у 1,5…2 рази товще ліній видимого контуру. Напрям погляду позначають стрілкою на початковому та кінцевому штрихах на відстані 2..3 мм від кінця штриха. Зліва від стрілки лівого штриха й справа від стрілки правого штриха ставлять горизонтально одну й ту саму велику літеру українського алфавіту.
Для позначення розрізу виконують напис за типом А–А безпосередньо над його зображенням без підкреслення. Якщо січна площина збігається з площиною симетрії предмета, то положення січної площини не показується, а сам розріз написом не супроводжують.
Перерізом називають зображення плоскою фігури, що утворюється при умовному перетині предмета січною площиною та розміщується у січній площині. Переріз заштриховують відповідно до матеріалу предмета, а його контур показують суцільними основними лініями.
Перерізи, які не входять до складу розрізів, поділяються на винесені та накладені. Винесені перерізи показуються окремо від основного зображення, а накладені перерізи розміщуються на самому зображенні предмета.
|
Розріз |
Розріз і переріз |
Місцевий розріз |
Якщо винесений або накладений переріз є симетричним, то не позначається ні сам переріз, ні положення січної площини. При цьому осьова лінія перерізу збігається з осьовою лінією, яка проводиться у тому місці, де знаходиться січна площина.
Для позначення січної площини проводять розімкнену лінію, стрілки напряму погляду та позначають її однаковими великими літерами українського алфавіту. Над зображенням перерізу виконують напис А–А без підкреслення.
Виносним елементом називають зображення у збільшеному масштабі частини предмета, що містить елементи, яких немає на основному зображенні
. Виносні елементи застосовують тоді, коли потрібні додаткові пояснення щодо форми, розмірів та інших даних або елементів складних контурів деталей проточок, галтелей, розточок профілю спеціальної різьби тощо.
Частину зображення, яку треба збільшити, виділяють колом, яке має лінію-виноску і поличку. Над поличкою ставлять велику літеру українського алфавіту. Виносний елемент позначають тією самою літерою й у дужках вказують масштаб, у якому виконано зображення.
|
Винесений переріз |
|
Виносний елемент |
5. Штриховка та позначення матеріалів – ГОСТ 2.306-68
Матеріали, які використовуються у машинобудуванні, можна умовно поділи-ти на металічні та неметалічні.
Металічні матеріали, в свою чергу, поділяються на сплави на основі заліза (сталь, чавун) і на основі кольорових металів - міді, алюмінію (бронзи, латуні та ін.).
До неметалічних матеріалів належать гума, пластичні маси, деревина тощо.
Для позначення матеріалів у розрізах і перерізах використовується штриховка. Для металевих деталей штриховка виконується у вигляді паралельних ліній, нахилених під кутом 45° до лінії контуру зображення або до його осі, або до лінії рамки кресленика.
Відстань між лініями штриховки вибирають у межах від 1 до 10 у залежності від площі штриховки та необхідності відрізнити штриховку суміжних перерізів.
Для заданого матеріалу деталі штриховка має свою форму.
|
|
Загальне позначення незалежно від матеріалу |
|
Кераміка та силікатні матеріали для кладки |
| Метали і тверді сплави |
|
Бетон |
|
|
|
Неметалічні матеріали: волокнисті, монолітні і пресовані |
|
Скло та інші світлопроникні матеріали |
|
|
Деревина |
|
Рідини |
|
|
Камінь природний |
|
Грунт природний |
Позначення матеріалу
Позначення матеріалу вказують в основному написі кресленика деталі. Згідно ГОСТ 2.109-73 до позначення матеріалу повинні входити: назва матеріалу; марка, номер стандарту або технічних вимог, наприклад, Сталь 45 ГОСТ 1050-88.
Сірий чавун виготовляється у вигляді відливок відповідно до ГОСТ 1412 - 85 марок: СЧ10, СЧ15, СЧ20, СЧ21, СЧ24, СЧ25, СЧ30, СЧ35. Тут СЧ - скорочене "сірий чавун". Число, що стоїть після букв (характеристика міцності) - тимчасовий опір при розтягуванні МПах 10"‘. Приклад позначення: СЧ20 ГОСТ 1412-85.
Ковкий чавун виготовляється згідно ГОСТ 1215-79 і поділяється на феритний - марки КЧЗО-6, КЧЗЗ-8, КЧ35-10, КЧ37-12 і перлітний - марки КЧ45-7, КЧ50-5, КЧ55-4, КЧ60-3, КЧ70-2, КЧ80-1,5. Тут букви КЧ - скорочене "ковкий чавун", число після букв - тимчасовий опір при розтягуванні МПах 10"‘, друге число - відносне подовження у процентах. Приклад позначення: КЧЗО-6 ГОСТ 1215-79.
Сталь вуглецева конструкційна звичайної якості виготовляється у вигляді листів, штабів, сортаменту відповідно до ДСТУ 2651-2005. Марки: СтО, Ст1, Ст2, СтЗ і т.д. Тут букви Ст - скорочене "сталь"; цифра після букв - номер марки. Приклад позначення: Ст5 ДСТУ 2651-94. Також марка сталі може позначатися двозначним числом, яке вказує вміст вуглецю в сотих частках процента: 08 кп, 08,10 кп, 10..20, 25, 35, 40, 45, 50, 55, 60, наприклад: Сталь 45 ГОСТ 1050-88.
Для сталі легованої конструкційної, наприклад: І5ХА, 38ХА, І8ХГ, ЗОХГТ, 40ХС, І5ХМ, ЗОХМ, ЗОХЗМФ, 14Х2НЗ МА, 20ХНІМ, ЗОХГСА та ін., у позначенні перші дві цифри вказують на вміст вуглецю в сотих частках відсотків, букви за цифрами позначають наявність легуючих елементів: В - вольфрам; Г - марганець; М -молібден; Н - нікель; Р - бор; С - кремній; Т - титан; Ф - ванадій; X - хром; Ю - алюміній. Цифра, що стоїть за буквою - вміст легуючого елемента у відсотках.
Бронзи олов’яні ливарні, наприклад, Бр03Ц12С5 ГОСТ 613-79.
Латуні ливарні, наприклад, ЛЦ40С ГОСТ 17711-80.
Сплави алюмінієві, що деформуються, наприклад, АК6 ГОСТ 4784-74.
6. Шорсткість поверхонь - ДСТУ 2413-94
Шорсткість поверхонь деталей визначається мікронерівностями, які з’являються в результаті виготовлення (обробки) цих поверхонь.
Для кількісної оцінки шорсткості ДСТУ 2413-94 та ГОСТ 2789-73 встановлюють основних два параметри Ra, Rz.
Рекомендується використовувати параметр Ra - середнє арифметичне відхилення профілю в межах базової довжини, мкм.
Допускається використовувати параметр Rz - середня висота нерівностей по 10 точках.
Значення параметрів Ra та Rz вибирають з рядів таблиці (ДСТУ 2452-94).
Переважно використовують наступні значення параметрів: 400; 200; 100; 50; 25; 12,5; 6,3; 3,2; 1,6; 0,8; 0,4; 0,2; 0,1; 0,05; 0,025; 0,012.
Значення параметра шорсткості вказується над (або під) умовним знаком, який передбачений ГОСТ 2.309-73.
Розмір шрифта цифр значення параметра шорсткості повинен бути таким самим, як і розмірних чисел.
На кресленику знаки шорсткості дозволяється поміщати:
- на лініях контуру;
- на виносних лініях (ближче до розмірної лінії);
- на поличках ліній-виносок;
- якщо не вистачає місця, - на розмірних лініях або на їх продовженні.
Знак шорсткості слід наносити з боку обробки поверхні.

7. Розміри - ГОСТ 2.307-68
Для визначення величини виробу та його елементів на кресленні наносять розмірні числа та розмірні лінії.
Розміри поділяються на лінійні (довжина, ширина, значення радіуса, діаметра, довжина хорди, дуги тощо) та кутові (розміри кутів).
Лінійні розміри вказують на креслениках у міліметрах без позначення одиниці вимірювання, а кутові розміри - у градусах, мінутах та секундах.
Розмірні числа мають відповідати дійсним розмірам предмета незалежно від масштабу, у якому виконується його кресленик.
Розмірна лінія розміщується між виносними лініями або безпосередньо між лініями контуру, осьовими, центровими та іншими лініями. При нанесенні розміру прямолінійного відрізка розмірну лінію проводять паралельно цьому відрізку, а виносні лінії – перпендикулярно до розмірних ліній.
Розмірні лінії проводять суцільною тонкою лінією та обмежують вузькими стрілками довжиною у межах 4…6 мм. Виносні лінії виступають за вістря розмірних стрілок на 2…3 мм.
Відстань між паралельними розмірними лініями має бути не менш ніж 7 мм, а відстань від розмірних ліній до паралельних їм ліній контуру має бути 10 мм.
Необхідно уникати перетину розмірних і виносних ліній.
Розмірні лінії проводять переважно поза контуром зображення по можливості справа або знизу. Розмірні числа ставлять паралельно розмірній лінії на відстані 1 мм якомога ближче до її середини. Не допускається наносити розміри у вигляді замкненого розмірного ланцюга.
Кожний розмір наноситься на кресленні тільки один раз. Повторювати розміри на різних зображеннях не дозволяється. Загальна кількість розмірів повинна бути мінімальною, але достатньою для виготовлення виробу.
Перед розмірним числом радіуса заокруглення ставлять велику літеру R латинського алфавіту. Розмірна лінія має тільки одну стрілку, яка впирається в контур дуги.
Діаметр кола позначають знаком Ø, що є колом перекреслене прямою лінією під кутом 75° до розмірної лінії.
При позначенні розміру квадрату, перед розмірним числом наносять знак ÿ. При цьому грані позначаються суцільними тонкими лініями по діагоналі.
Фаски під кутом 45° позначають умовним записом, у якому перше число вказує висоту конуса у міліметрах, а друге – значення кута нахилу твірної конуса до його основи.
Якщо є кілька однакових елементів (отворів, пазів тощо), то наносять розмір одного елемента і зазначають кількість цих елементів та їх взаємне розміщення. Якщо отвори розміщено на колі рівномірно, то кутові розміри не показують, а зазначають лише кількість отворів. Допускається показувати лише один елемент і наносити всі його розміри, а інші елементи позначати їх центрами. Ряд суміжних лінійних чи кутових розмірів можна наносити від однієї конструктивної бази.
Шрифти
Розмір шрифта
Колір тексту
Колір тла
Кернінг шрифтів
Видимість картинок
Інтервал між літерами
Висота рядка
Виділити посилання
Вирівнювання тексту
Ширина абзацу