Тема 10. Операції 3D моделей складних деталей
| Сайт: | Навчально-інформаційний портал НУБіП України |
| Курс: | Математичне моделювання та комп'ютерні технології (БЦІ). Ч2 ☑️ |
| Книга: | Тема 10. Операції 3D моделей складних деталей |
| Надруковано: | Гість-користувач |
| Дата: | понеділок, 16 березня 2026, 14:08 |
1. Початок роботи в документі «Деталь»
При створенні нової деталі або збірки три площини за замовчуванням вирівнюються по певних видах.
Площина, обрана першою, визначає орієнтацію деталі. Наприклад вибрали площину «Спереди» (рис.3.1).

Рис.3.1. Інтерфейс програми при створенні нової деталі
Якщо відкрити ескіз і почати побудову, не вибираючи площину, то ескіз за замовчуванням буде розташовуватися на площині «Спереди».
Якщо спочатку рисується вид зверху, то варто спочатку вибрати "Площина 2" ("Зверху") у дереві конструювання FeatureManager перед натисканням кнопки "Ескіз".
Для зміни орієнтації стандартних видів моделі:
Виберіть Вид, Ориентация або натисніть пробіл.
У вікні Ориентация двічі натисніть на один з імених видів, щоб вибрати нову орієнтацію. Наприклад, якщо необхідно зробити поточний вид Ліворуч видом Попереду, двічі натисніть на виді Ліворуч.
Натисніть (один раз, а не двічі) на ім'я стандартного виду, яких необхідно призначити для поточної орієнтації моделі. Наприклад, натисніть Попереду, якщо необхідно, щоб поточний вид став видом попереду.
Натисніть Обновити “стандартные виды”. При цьому всі стандартні види обновляться щодо цього виду.
2. Інструменти панелі «Елементи»
Панель інструментів "Елементи" (рис. 3.4) містить у собі елементарні операції із тривимірними об'єктами.

Рис.3.4. Панель інструментів Features «Елементи»
З повним списком можна ознайомитися, зайшовши в меню "Инструменты" - "Настройка" - "Команды" і вибравши панель "Елементи".

Рис. 3.5. Список інструментів Features «Елементи»
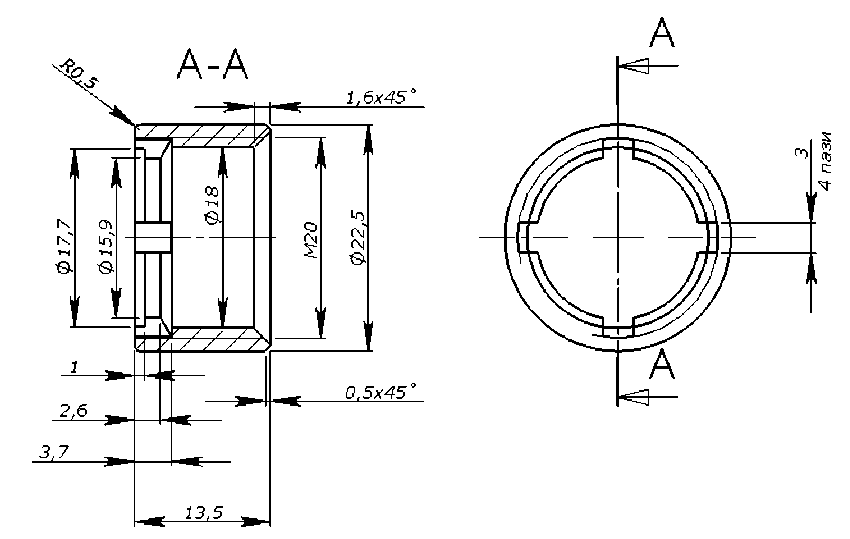
3. Створення тривимірної моделі деталі типу «Гайка»
Гайка уявляє собою тіло обертання. Найпростіше створити модель її можна за допомоги елемента Повернутая бобышка/основа (Повернутий виступ/основа). Ескіз гайки наведений на рис. 3.6.

Рис. 3.6. Ескіз гайки
Для створення ескізу деталі виберіть площину Сверху (Зверху) в Дереві конструювання. Для цього натисніть кнопку Эскиз (Ескіз) панелі інструментів «Эскиз», або виберіть Вставка, Эскиз (Вставка, Ескіз) з головного меню програми, щоб перейти в режим побудову ескізу. Ескіз відкриється на площині, що вибрана (Зверху).
Створимо напівпрофіль елемента Повернутий виступ/основа. Накресліть ескіз половини гайки, що зображений на рис. 3.7,а.
Використовуйте елементи панелі «Эскиз» (лінія, скруглення, фаска, відсікти об'єкт та ін.) та використовуйте кнопку автоматичне нанесення розмірів.
Починайте побудову ескізу з вихідної точки (x=0; y=0; z=0). Побудуйте осьову лінію, що проходить через увесь профіль. Ця осьова лінія являє собою вісь, навколо якої виконується повернення профілю. В нашому випадку, проводимо горизонтальну осьову лінію з вихідної точки й до кінцевої лінії профілю (рис. 3.7, б). Робимо обрізку ліній для отримання повного замкненого напівпрофілю (рис. 3.7, б).
Створимо елемент Повернутий виступ/основа. Натисніть кнопку Повернутая бобышка/основа (Обернена бобишка/основа) панелі інструментів «Элементы» (Елементи), або виберіть Вставка, Бобышка/Основание, Повернуть (Вставка, Бобишка/Основа, Обернути) з головного меню програми. З’явиться діалогове вікно Повернуть (Обернути).
Введіть в діалоговому вікні (в полях):
Ось вращения (Вісь обертання) - за умовчанням (вибирається горизонтальну осьова лінія);
Тип вращения (Тип обертання) - в одном направлении (в одному напрямку);
Угол (Кут) - 360°.
Натисніть OK.
Створиться твердотільний елемент, загальний вигляд якого наведений на рис. 3.8. Залишилося зробити чотири пази по 3 мм (рис. 3.6).

а

б
Рис. 3.7. Створення напівпрофілю гайки для його обертання навколо осі
Створення пазів на деталі. Створимо паз на поверхні вигляду зліва. Виберіть передню поверхню вигляду зліва.
Відкрийте ескіз на цій поверхні.
Побудуйте осьову горизонтальну лінію, яка починається з вихідною точкою.

Рис. 3.8. Створення твердотільного елемента гайки: а - загальний вигляд (ізометрія); б - розріз (ізометрія)
Побудуйте горизонтальну лінію, що паралельна осьової. Задайте відстань від неї до осьової лінії 1,5 мм (рис. 3.9, а).
Дзеркально відобразіть намальовану лінію (за допомоги елемента Зеркально отразить объекты (Дзеркально відобразити об’єкти), панелі «Эскиз» («Ескіз»)) (рис. 3.9, а).
Побудуйте з правої сторони горизонтальних ліній дугу, що їх з’єднає (виберіть дугу через три точки) (рис. 3.9, б).
Побудуйте коло діаметром 20 мм, центр якого співпадає з вихідною точкою. Зробіть обрізку ліній, що лежать за двома намальованими горизонтальними лініями (рис.3.9, б).

а

б

в
Рис. 3.9. Етапи моделювання паза на деталі
Витягуємо профіль на 3,7 мм (за допомоги елементу Витягнутий виріз).
Створили паз, який показаний на рис.3.9, в.
Зробимо чотири пази.
Виберіть Вид, Временные оси (Вигляд, Тимчасові вісі) з головного меню програми.
Виберіть паз в Дереві конструювання. Натисніть кнопку Круговой масив (Масив по колу) панелі інструментів «Элементы» (Елементи), або виберіть Вставка, Масив/Зеркало, Круговой массив (Вставка, Масив/Дзеркало, Масив по колу) з головного меню програми.
З’явить вікно Круговой масив (Масив по колу). В вікні введіть:
Масив оси (Масив осі) - Временная ось (Тимчасова вісь);
Угол (Кут) - 360°;
Колличество экземпляров (Кількість екземплярів) - 4.
З’явиться попередній вигляд масиву пазів (рис. 3.10, а).

аб
Рис. 3.10. Створення пазів на гайці: а - попередній вигляд масиву по колу;б -
загальний вигляд гайки з створеними пазами (ізометрія)
Шрифти
Розмір шрифта
Колір тексту
Колір тла
Кернінг шрифтів
Видимість картинок
Інтервал між літерами
Висота рядка
Виділити посилання
Вирівнювання тексту
Ширина абзацу