Тема 11. Редагування деталей
| Сайт: | Навчально-інформаційний портал НУБіП України |
| Курс: | Математичне моделювання та комп'ютерні технології (БЦІ). Ч2 ☑️ |
| Книга: | Тема 11. Редагування деталей |
| Надруковано: | Гість-користувач |
| Дата: | понеділок, 16 березня 2026, 14:08 |
1. ІЗОЛЯТОР

Створіть новий документ - Деталь.

Виберіть в Дереві конструювання площину Front (Зверху).

На панелі інструментів виберіть вкладку Ескіз і команду побудови ескізу - Ескіз.

Створіть ескіз згідно рисунку. Для чого, виберіть команду побудови кола
. Будуйте коло довільного радіуса і положення.
Нанесіть розміри, використовуючи команду Автоматичне нанесення розмірів
.

Вийдіть з режиму побудови ескізу.

Для створення моделі на основі побудованого ескізу виберіть вкладку Елементи і команду - Витягнута бобишка / підставу.

На панелі властивостей команди задайте величину видавлювання 30 мм.

В результаті отримаємо:

Виберіть в Дереві побудови площину Справа. Встановіть за допомогою команди Стандартні види - Права частина
. Виберіть команду побудови ескізу.

Створіть ескіз згідно з наведеним малюнку, використовуючи команду побудови прямокутника
. Нанесіть розміри. Вийдіть з режиму створення ескізу.

Виберіть команду Витягнутий виріз
. Встановіть на панелі властивостей команди зазначені на малюнку параметри.

В результаті отримаємо необхідну модель.

2. ВКЛАДИШ

Виберіть в дереві побудови площину для побудови ескізу, клацнувши на пункті Зверху.
Виберіть команду побудови ескізу
.
Встановіть вид зверху, вибравши команду: Стандартні види-Зверху, або натиснувши на піктографічне меню кнопку Зверху
.

Побудуйте дві окружності, натиснувши на кнопці:
, З координатами положення центру: 0, 0 і довільними радіусами.
Нанесіть розміри
, Для чого, клацніть лівою клавішею миші на колі, задайте розташування розмірної лінії і написи, після чого, в діалоговому вікні задайте потрібну величину діаметра - 80 мм і другий окружності - 30 мм.

Після чого, вийдіть з режиму створення ескізу, віджавши кнопку Ескіз.

Виділіть в дереві побудови побудований ескіз. Виберіть розділ Елементи і команду Витягнута бобишка:![]()
На панелі властивостей, задайте величину видавлювання 10 мм.

Виберіть площину верхнього підстави як площину побудови наступного ескізу.
Виберіть команду побудови ескізу
.

Встановіть вид зверху, вибравши команду: Стандартні види-Зверху, або натиснувши на піктографічне меню кнопку Зверху
.
Створіть зображення квадрата з розмірами, представленими на малюнку.

Другий квадрат побудуйте, використовуючи команду побудови дзеркального відображення
, Вказавши об'єкти (чотири відрізка - сторони квадрата) і вертикальну вісь, щодо якої буде відбуватися відображення (на малюнку - вертикальна осьова лінія - Лінія 5).
Вийдіть з ескізу.

Виріжте цей ескіз, використовуючи команду Витягнутий виріз
, На 5 мм.

Виберіть площину верхнього підстави як площину побудови наступного ескізу.
Виберіть команду побудови ескізу
Побудуйте три кола згідно з малюнком. Спроектуйте велике коло підстави деталі в поточний ескіз, використовуючи команду Ескіз - Перетворення об'єктів
.

Виберіть команду Відсікти об'єкти
.
Отримайте зображення, відповідне малюнку.


Видавіть ескіз на 20 мм.

Виберіть в дереві побудови площину для побудови ескізу, клацнувши на пункті Справа.
Встановіть вид справа, вибравши команду: Стандартні види-Праворуч.
Виберіть команду побудови ескізу.
Побудуйте прямокутник з розмірами, зазначеними на малюнку.

Виріжте командою
прямокутник в обидва напрямки наскрізь.


В результаті отримаємо цю модель:

Для створення вирізу чверті, на вигляді зверху створіть ескіз у вигляді двох відрізків.

Виберіть команду Витягнутий виріз.
Виберіть напрямок для вирізу (стрілка повинна вказувати на ту частину, яка буде відрізана (вилучено).

В результаті отримаємо необхідну модель.

3. РАДІАТОР

Виберіть в дереві побудови площину для побудови ескізу, клацнувши на пункті Сверху. Виберіть команду побудови ескізу
.
Установіть вид зверху, вибравши команду: Стандартні види-Зверху, або натиснувши на піктографічне меню кнопку Зверху
.
Побудуйте ескіз згідно з малюнком. Нанесіть розміри
. Після чого, вийдіть з режиму створення ескізу, віджавши кнопку Ескіз.

Виділіть в дереві побудови побудований ескіз. Виберіть команду Витягнута бобишка:
.На панелі властивостей, задайте величину видавлювання 3 мм.

Виберіть верхню площину основи радіатора і створіть ескіз, представлений на малюнку:

Застосуйте до ескізу команду Витягнута бобишка, встановіть відстань - 15 мм і кут нахилу 1 °.

В результаті отримаємо голку в вигляді усіченого конуса.

Розмножимо голки, побудувавши прямокутний масив, викликавши команду Лінійний масив
.Задайте параметри побудови масиву згідно з малюнком.

В результаті отримаємо:

Видаліть 5 голок в центрі радіатора, вибравши розділ Пропустити екземпляри на панелі властивостей і на робочій області моделі вкажіть на рожеві точки тих примірників, які будувати не треба. Точки забарвляться в помаранчевий колір і фантом примірника масиву зникне:



Викличте команду Фаска
, Відзначте всі шість ребер отворів, встановіть параметри катета 0,5 мм і кут нахилу 45 °.

Результат моделювання.

4. КУТОЧОК

Виберіть в дереві побудови площину для побудови ескізу, клацнувши на пункті Справа. Виберіть команду побудови ескізу
.
Встановіть вид зверху, вибравши команду: Стандартні види-Праворуч, або натиснувши на піктографічне меню кнопку Праворуч
. Побудуйте ескіз згідно з малюнком.
Нанесіть розміри
. Після чого, вийдіть з режиму створення ескізу, віджавши кнопку Ескіз.

Виділіть в дереві побудови побудований ескіз. Виберіть команду Витягнута бобишка:
.Для подальшого зручності, видавіть в обидві сторони від площини ескізу, на панелі властивостей, задайте величину видавлювання по 15 мм.

Результат видавлювання.

Для моделювання ребра жорсткості виберіть бічну торцеву площину куточка в якості площині побудови ескізу. Побудуйте ескіз згідно з малюнком.

Виберіть команду побудови ребра жорсткості
. Виберіть напрямок і товщину ребра 2 мм.
<P »>
Результат моделювання.

Побудуємо дзеркальне відображення ребра. Виберіть команду
, На панелі властивостей виберіть площину відображення - Справа (в дереві побудови), виділіть в дереві побудови ребро.
<P »>
Результат моделювання.

Для побудови заокруглень, виберіть команду
. Виділіть зазначені на малюнку ребра. Задайте величину радіуса 3 мм.

Результат моделювання.

З метою ознайомлення, змоделюємо отвір в підставі, використовуючи команду
.На панелі, що з'явилася властивостей виберіть отвір з фаскою і задайте параметри, представлені на малюнку.


Задайте місце розташування даного отвори перейшовши на вкладку Розташування за допомогою розмірів.

Результат моделювання.

5. ВТУЛКА

Виберіть в дереві конструювання площину для побудови ескізу, клацнувши на пункті Справа. Виберіть команду побудови ескізу
. Встановіть вид справа, вибравши команду: Стандартні види-Праворуч, або натиснувши на піктографічне меню кнопку Праворуч
. Побудуйте ескіз згідно з малюнком. нанесіть розміри
. Після чого, вийдіть з режиму створення ескізу, віджавши кнопку Ескіз.

Виділіть в дереві конструювання побудований ескіз. Виберіть команду Повернена бобишка
. Встановіть параметри, зазначені на малюнку. Як осьової лінії виберіть горизонтальний відрізок, від якого вимірюються всі радіуси.

Результат обертання.

Створіть дві фаски на більшій циліндрі з розмірами 1 * 45 °, використовуючи команду Фаска
.

Виберіть торцеву площину більшого циліндра в якості площині побудови ескізу. Створіть ескіз згідно рисунку. Побудуйте вертикальну вісь. Виберіть команду Багатокутник з кількістю вершин рівним 3 і діаметром вписаного кола 0,95.
Виділіть велике коло в моделі, виберіть команду Перетворити об'єкт
, Встановіть тип лінії - допоміжна геометрія, створіть примітив Точка на перетині побудованої окружності і вертикальної осі. Нанесіть розміри. Вийдіть з режиму створення ескізу, віджавши кнопку Ескіз.

Виріжте видавлюванням, використовуючи команду Витягнутий виріз
.

У розділі Довідкова геометрія виберіть команду Вісь
. Побудуйте вісь, вказавши циліндричну поверхню.

Побудуйте кругової масив, вибравши команду Круговий масив
, Вказавши в розділі Параметри - побудовану вісь, а в розділі Функції та межі - вирізане поглиблення (Виріз-Витянуть1).

Результат моделювання.

6. КРОНШТЕЙН
Виберіть в дереві конструювання площину для побудови ескізу, клацнувши на пункті Спереду. Виберіть команду побудови ескізу. Встановіть вид спереду, вибравши команду: Стандартні види-Спереду, або натиснувши на піктографічне меню кнопку Спереду
.
Побудуйте ескіз згідно з малюнком. нанесіть розміри
. Після чого, вийдіть з режиму створення ескізу, віджавши кнопку Ескіз.

Виділіть в дереві конструювання побудований ескіз. Виберіть команду Витягнута бобишка
. Видавіть на 50 мм.

Вкажіть передню площину моделі і виберіть команду побудови ескізу.

Створіть ескіз у вигляді двох рівних по діаметру кіл.

Виділіть обидві окружності, призначте взаємозв'язку командою Додати взаємозв'язок
, Представлені на малюнку.

Виділіть вертикальні межі і малі дуги моделі, викличте команду Інструменти-Інструменти ескізу-Перетворення об'єктів для проектування даних об'єктів в поточний ескіз. командою Відсікти
, Обріжте непотрібні фрагменти примітивів (рисунок 1).
Виділіть дві більші дуги. За допомогою ручок, які з'явилися на кінцях дуг, попередньо видаливши взаємозв'язку Збіг і Проектування, перемістіть кінцеву точку дуги великого кола вправо (як на малюнку 2), тим самим, виключивши само перетинів контуру.

![]()
1 2
Виберіть команду Витягнута бобишка
. Видавіть побудований ескіз на 8 мм.

Встановіть вид Справа. Створіть ескіз - прямокутник з розмірами 110 * 20.

Виріжте, використовуючи команду Витягнутий виріз
побудований ескіз з моделі деталі.

Виберіть верхню площину підстави як площину побудови ескізу. Виберіть команду Вставка-Елементи-Отвір-Под кріплення ..., або натисніть на кнопку
.

Виберіть вид отвори - з зенковкой. Встановіть параметри отвори М8 згідно з малюнком. На вкладці Розташування задайте розмірами положення центру отвори.


Створіть заокруглення, виділивши зазначені елементи, задайте радіус 3 мм.

Виберіть команду побудови дзеркального відображення
. Виділіть всі елементи, вкажіть площину відображення - грань моделі.


Результат відображення.

Ще раз дзеркально відобразіть модель.

Результат моделювання.

7. КОРПУС

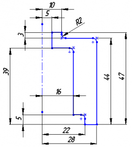
Виберіть в дереві побудови площину для побудови ескізу, клацнувши на пункті Спереду.
Виберіть команду побудови ескізу
.
Встановіть вид спереду, вибравши команду: Стандартні види - Спереду, або натиснувши на піктографічне меню кнопку Спереду
.
Побудуйте ескіз згідно з малюнком. нанесіть розміри
. Після чого, вийдіть з режиму створення ескізу, віджавши кнопку Ескіз.

Виділіть в дереві побудови побудований ескіз. Виберіть команду Повернена бобишка
.
Створіть тіло обертання.

Вкажіть нижню площину моделі і виберіть команду побудови ескізу.
Встановіть вид зверху і створіть ескіз згідно з малюнком (незабудьте, що ескіз повинен бути замкнутим). Вийдіть з режиму створення ескізу.

Виберіть команду Витягнута бобишка:, видавіть на величину 10 мм.

На верхній площині створеної на попередньому кроці лапки, створіть ескіз у вигляді кола діаметром 11 мм.

Виріжте, використовуючи команду Витягнутий виріз
, На величину 1 мм.

Виберіть команду побудови кругового масиву
, Виділіть в дереві побудови дві останні операції (побудови лапки з отвором). На панелі властивостей задайте параметри, відповідно до малюнка.

Результат побудови масиву.

Встановіть вид Спереду. Виберіть площину побудови ескізу в дереві побудови - Спереду. Увійдіть в режим побудови ескізу.
Створіть коло з розмірами, зазначеними на малюнку.

Виріжте, використовуючи команду Витягнутий виріз
побудований ескіз з моделі деталі в двох напрямках, наскрізь.

Встановіть вид Зліва. Виберіть площину побудови ескізу в дереві побудови - Справа. Увійдіть в режим побудови ескізу.
Створіть прямокутник з розмірами, зазначеними на малюнку. Вийдіть з режиму створення ескізу.

Виріжте, використовуючи команду Витягнутий виріз
побудований ескіз з моделі деталі в одному напрямку, наскрізь.

8. ПРУЖИНА

Виберіть в дереві побудови площину для побудови ескізу, клацнувши на пункті Справа. Виберіть команду побудови ескізу ![]()
Встановіть вид спереду, вибравши команду: Стандартні види - Справа, або натиснувши на піктографічне меню кнопку Праворуч
. Побудуйте ескіз згідно з малюнком. нанесіть розмір
. Після чого, вийдіть з режиму створення ескізу, віджавши кнопку Ескіз.

Виберіть команду побудови спіралі Елементи-Криві-гелікоїда і спіраль, виставите параметри на панелі властивостей згідно рисунку. Створіть об'єкт.

Результат.

Встановіть вид Зверху
. Створіть ескіз у вигляді кола з прив'язкою до початку спіралі, діаметром 2 мм, при необхідності, призначте взаємозв'язок на центр кола і спіраль Точки пронзанія.

Виберіть команду бобишками / Підстава по траєкторії
. Як профілю виберіть коло, в якості напрямку - спіраль.

Результат моделювання.

Встановіть вид Спереду
. Побудуйте два прямокутника, на відстані 35 мм. Права сторона одного з прямокутників повинна проходити через початок координат.

Виріжте прямокутники, використовуючи команду Витягнутий виріз
з моделі деталі в двох напрямках, наскрізь.

Шрифти
Розмір шрифта
Колір тексту
Колір тла
Кернінг шрифтів
Видимість картинок
Інтервал між літерами
Висота рядка
Виділити посилання
Вирівнювання тексту
Ширина абзацу