Лаб. 7. Побудова складального кресленика з'єднання
Завдання. Виконати складальний кресленик трубного з’єднання.
Подання - у вигляді кресленика та файлу.
Терміні - упродовж 1 дня.
Оцінювання - максимальна кількість балів 3.
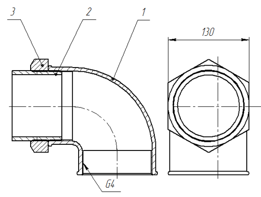
Фрагмент виконання

Посилання
Вказівки
Шрифти
Розмір шрифта
Колір тексту
Колір тла
Кернінг шрифтів
Видимість картинок
Інтервал між літерами
Висота рядка
Виділити посилання
Вирівнювання тексту
Ширина абзацу