Лаб. 13. Побудова креслеників
Завдання. Створити 3D моделі деталей та їх робочі кресленики за складальним креслеником одиниці.
Обладнання. Навчальна версія SW, олівець, аркуш паперу, лінійка.
Подання – у вигляді pdf-файла (Прізвище_Лаб13.pdf).
Оцінювання - максимально 3 бали.
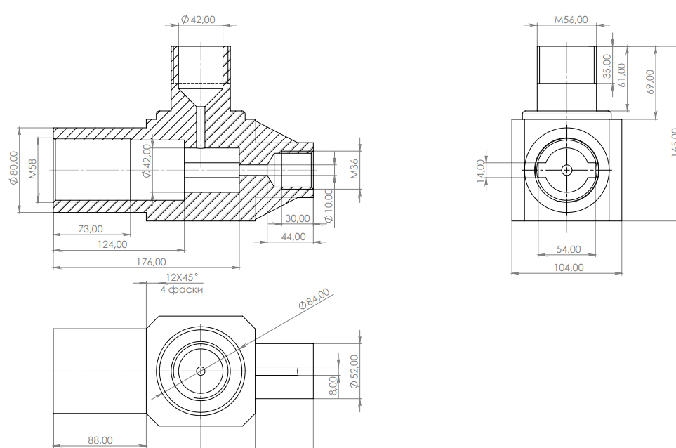
Фрагмент виконання

Вказівки
Шрифти
Розмір шрифта
Колір тексту
Колір тла
Кернінг шрифтів
Видимість картинок
Інтервал між літерами
Висота рядка
Виділити посилання
Вирівнювання тексту
Ширина абзацу